КаталогАвтоматикаУстройства для управления и мониторингаВыключатели-позиционерыВыключатели-позиционерыGLDC01D

GLDC01D, Limit Switch, Plastic, 1 Break Contact (NC) / 1 Make Contact, Honeywell

Арт: 136-30-803
  • добавить в избранное
  • Арт: 136-30-803
  • Наименование: GLDC01D
  • Производитель: Honeywell
  • Доп.наименование: Limit Switch, Plastic, 1 Break Contact (NC) / 1 Make Contact
  • Склад:
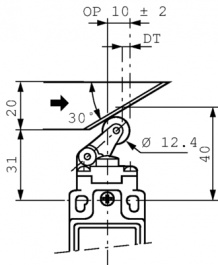
    Изображение товара дано только в качестве иллюстрации. См. спецификацию продукта (pdf)
    Заказать Цены указаны без НДС

    Limit Switch, Plastic, 1 Break Contact (NC) / 1 Make Contact Семейство Концевой выключатель в металлическом или пластиковом корпусе в соответствии с EN50047 Технические параметры
    • Manufacturer: Honeywell
    • Подключение: M20
    • Клавиша привода: Роликовый рычаг
    • Материал корпуса: Пластик
    • Ток переключения: 3 A 240 VAC 15
    • Указание по заказу: Для получения информации по кабельным винтовым соединениям М20 см. главу 35
    • Рабочая температура: -25...+85 °C
    • Переключающий контакт: 1 замыкающий контакт + 1 размыкающий контакт
    • Рабочая температура, мин.: -25 °C
    • Срок службы, механический: 15 миллионов циклов переключения
    • Рабочая температура, макс.: +85 °C
    • Степень защиты: IP 66