КаталогБатареи, трансформаторы, блоки питанияТрансформаторыТрансформаторы на платуТрансформаторы на плату без защиты от КЗFL 52/12

FL 52/12, PCB transformer 52 VA 12 VAC (2x), BLOCK

Арт: 156-00-888
  • добавить в избранное
  • Арт: 156-00-888
  • Наименование: FL 52/12
  • Производитель: BLOCK
  • Доп.наименование: PCB transformer 52 VA 12 VAC (2x)
  • Склад:
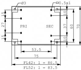
    Изображение товара дано только в качестве иллюстрации. См. спецификацию продукта (pdf)
    Заказать Цены указаны без НДС

    PCB transformer 52 VA 12 VAC (2x) Семейство Низкопрофильные трансформаторы 2...52 W Технические параметры
    • Manufacturer: BLOCK
    • Масса: 980 g
    • Высота: 49.0 мм
    • Ширина: 83.5 мм
    • Мощность: 52 VA
    • Ш х В х Г: 70 x 83.5 x 49.0 mm
    • Выходной ток: 2x2166 mA
    • Вторичный контур: 2...52 VA, 2 x 5...18 VAC
    • Первичный контур: 2 x 115 В перем. тока или серия 1 x 230 В перем. тока, 50...60 Гц
    • Испытательное напряжение: 5000 VAC
    • Напряжение вторичного контура: 12 VAC(2x)
    • Температура окружающей среды: max.40 °C