КаталогБатареи, трансформаторы, блоки питанияТрансформаторыТрансформаторы на платуТрансформаторы на плату с защитой от КЗPT 13/1/15

PT 13/1/15, PCB transformer 13 VA 15 VAC (1x), BLOCK

Арт: 156-00-708
  • добавить в избранное
  • Арт: 156-00-708
  • Наименование: PT 13/1/15
  • Производитель: BLOCK
  • Доп.наименование: PCB transformer 13 VA 15 VAC (1x)
  • Склад:
    Изображение товара дано только в качестве иллюстрации. См. спецификацию продукта (pdf)
    Заказать Цены указаны без НДС

    PCB transformer 13 VA 15 VAC (1x) Семейство Трансформаторы для печатной платы 4.5...30 VA Технические параметры
    • Manufacturer: BLOCK
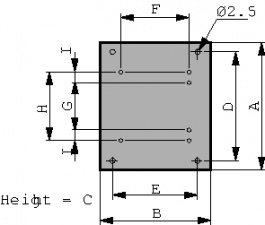
    • A: 56 мм
    • B: 47 мм
    • C: 40 мм
    • E: 37.5 мм
    • F: 30 мм
    • G: 20 мм
    • I: 5 мм
    • d: 47.5 мм
    • h: 30 мм
    • Длина: 56 мм
    • Масса: 420 g
    • Высота: 40 мм
    • Ширина: 47 мм
    • Мощность: 13 VA
    • Ш х В х Г: 56 x 47 x 40 mm
    • Выходной ток: 867 мА
    • Вторичный контур: 4,5...30 ВА, 6...24 В перем. тока либо 2 x 6...24 В перем. тока
    • Первичный контур: 1 x 230 VAC, 50...60 Hz
    • Форма конструкции: PT 13
    • Испытательное напряжение: 5000 VAC
    • Напряжение вторичного контура: 15 VAC(1x)
    • Температура окружающей среды: max.40 °C