PCB Transformer 7.5 VA 2 x 15VAC Семейство Трансформаторы для печатной платы 4.5...30 VA Технические параметры
- Manufacturer: BLOCK
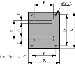
- A: 51 мм
- B: 43 мм
- C: 36 мм
- E: 32 мм
- F: 27.5 мм
- G: 15 мм
- I: 5 мм
- d: 40 мм
- h: 25 мм
- Длина: 51 мм
- Масса: 280 g
- Высота: 36 мм
- Ширина: 43 мм
- Мощность: 7.5 VA
- Ш х В х Г: 51 x 43 x 36 mm
- Выходной ток: 2x250 mA
- Вторичный контур: 4,5...30 ВА, 6...24 В перем. тока либо 2 x 6...24 В перем. тока
- Первичный контур: 1 x 230 VAC, 50...60 Hz
- Форма конструкции: PT 7.5
- Испытательное напряжение: 5000 VAC
- Напряжение вторичного контура: 15 VAC(2x)
- Температура окружающей среды: max.40 °C