PCB transformer 4.5 VA 15 VAC (1x) Семейство Трансформаторы для печатной платы 4.5...30 VA Технические параметры
- Manufacturer: BLOCK
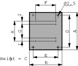
- A: 44 мм
- B: 37 мм
- C: 33 мм
- E: 28 мм
- F: 25 мм
- G: 15 мм
- I: 5 мм
- d: 35 мм
- h: 25 мм
- Длина: 44 мм
- Масса: 190 g
- Высота: 82 мм
- Ширина: 11.25 мм
- Глубина: 16 мм
- Мощность: 4.5 VA
- Ш х В х Г: 44 x 11.25 x 82 mm
- Выходной ток: 300 мА
- Вторичный контур: 4,5...30 ВА, 6...24 В перем. тока либо 2 x 6...24 В перем. тока
- Первичный контур: 1 x 230 VAC, 50...60 Hz
- Форма конструкции: PT 4.5
- Испытательное напряжение: 5000 VAC
- Напряжение вторичного контура: 15 VAC(1x)
- Температура окружающей среды: max.40 °C