КаталогПассивные компонентыФерриты, индуктивности, фильтрыEMI-ферритыФерриты для кабелейRI-11-20-5

RI-11-20-5, Ferrite core  diam. ‹=  5.5 mm 135 Ohm @ 100 MHz, Kitagawa

Арт: 158-66-095
RI-11-20-5, Ferrite core  diam. ‹=  5.5 mm 135 Ohm @ 100 MHz, Kitagawa
  • добавить в избранное
  • Арт: 158-66-095
  • Наименование: RI-11-20-5
  • Производитель: Kitagawa
  • Доп.наименование: Ferrite core  diam. ‹=  5.5 mm 135 Ohm @ 100 MHz
  • Склад:
    Изображение товара дано только в качестве иллюстрации. См. спецификацию продукта (pdf)
    Заказать Цены указаны без НДС

    Ferrite core diam. ‹= 5.5 mm 135 Ohm @ 100 MHz Семейство Кольцевые сердечники, замкнутые
    Устраняют высокочастотные помехи без влияния на искомые сигналы Технические параметры
    • Manufacturer: Kitagawa
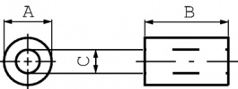
    • A: 10.5 мм
    • B: 20 мм
    • C: 5.5 мм
    • Частота: 100 МГц
    • Импеданс: 135 Ω
    • Для размера кабеля: Ø ≤5.5 mm
    • Материал сердечника: Феррит
    • Полное эл.сопротивление при 25 МГц: 95 Ω
    • Полное эл.сопротивление при 100 МГц: 135 Ω