КаталогПассивные компонентыФерриты, индуктивности, фильтрыEMI-ферритыФерриты для кабелейRI-16-28.5-8

RI-16-28.5-8, Ferrite core  diam. ‹=  8 mm 237 Ohm @ 100 MHz, Kitagawa

Арт: 158-65-937
RI-16-28.5-8, Ferrite core  diam. ‹=  8 mm 237 Ohm @ 100 MHz, Kitagawa
  • добавить в избранное
  • Арт: 158-65-937
  • Наименование: RI-16-28.5-8
  • Производитель: Kitagawa
  • Доп.наименование: Ferrite core  diam. ‹=  8 mm 237 Ohm @ 100 MHz
  • Склад:
    Изображение товара дано только в качестве иллюстрации. См. спецификацию продукта (pdf)
    Заказать Цены указаны без НДС

    Ferrite core diam. ‹= 8 mm 237 Ohm @ 100 MHz Семейство Кольцевые сердечники, замкнутые
    Устраняют высокочастотные помехи без влияния на искомые сигналы Технические параметры
    • Manufacturer: Kitagawa
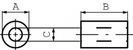
    • A: 16 мм
    • B: 28.5 мм
    • C: 8 мм
    • Частота: 100 МГц
    • Импеданс: 237 Ω
    • Для размера кабеля: Ø ≤8 mm
    • Материал сердечника: Феррит
    • Полное эл.сопротивление при 25 МГц: 117 Ω
    • Полное эл.сопротивление при 100 МГц: 237 Ω