КаталогПассивные компонентыРезисторы, потенциометрыПотенциометрыПластиковые потенциометры однооборотные91A2A-B28-B18/B18L

91A2A-B28-B18/B18L, Potentiometer 50 kOhm 2 x 50 kOhm linear, Bourns

Арт: 301-94-355
  • добавить в избранное
  • Арт: 301-94-355
  • Наименование: 91A2A-B28-B18/B18L
  • Производитель: Bourns
  • Доп.наименование: Potentiometer 50 kOhm 2 x 50 kOhm linear
  • Склад:
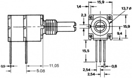
    Изображение товара дано только в качестве иллюстрации. См. спецификацию продукта (pdf)
    Заказать Цены указаны без НДС

    Potentiometer 50 kOhm 2 x 50 kOhm linear Семейство Потенциометры из токопроводящего пластика 0,5 W
    Двойной потенциометр
    Защита от пыли Технические параметры
    • Body Orientation: Right Angle
    • Height: 17mm
    • Manufacturer: Bourns
    • Mounting Type: Panel Mount
    • Operating Temperature Max.: 125°C
    • Operating Temperature Min.: -40°C
    • Outputs: 2
    • Polarisation: Linear
    • Power Rating: 500mW
    • Resistance: 50kΩ
    • Rotation Angle: 300°
    • Series: 91
    • Shaft Diameter: 6.35mm
    • Shaft Length: 22mm
    • Shaft Type: Slotted
    • Termination Type: PCB Pins
    • Tolerance: ±20 %