КаталогПассивные компонентыРезисторы, потенциометрыПотенциометрыМеталлокерамические потенциометрыD198K22MDDK1000

D198K22MDDK1000, Rotary Potentiometer, 220 Ohm, Soldering lugs, Vishay

Арт: 164-34-602
  • добавить в избранное
  • Арт: 164-34-602
  • Наименование: D198K22MDDK1000
  • Производитель: Vishay
  • Доп.наименование: Rotary Potentiometer, 220 Ohm, Soldering lugs
  • Склад:
    Изображение товара дано только в качестве иллюстрации. См. спецификацию продукта (pdf)
    Заказать Цены указаны без НДС

    Rotary Potentiometer, 220 Ohm, Soldering lugs Семейство Металлокерамический потенциометр
    Водонепроницаемый Технические параметры
    • Manufacturer: Vishay
    • Допуск: ±20 %
    • Кривая: линейный
    • Импеданс: 0.22 kΩ
    • Мощность: 2 Вт
    • Подключение: Лепестки для пайки
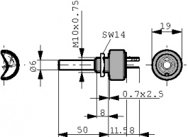
    • ø вала: 6 мм
    • Угол вращения: 260 °
    • Температура, мин.: -55 °C
    • Температура, макс.: +110 °C
    • Указание по заказу: См. главу 12 для получения информации о совместимых ручках
    • Температурный диапазон: -55...+110 °C
    • Условное обозначение сопротивления: 0K22
    BC Сomponents

    Компания BC Сomponents (Beyschlag Centralab), ведущий европейский изготовитель пассивных электронных компонентов, возникла при разделения компании Philips в январе 1999. С 2002 года BC Сomponents входит в состав компании Vishay. Прежний портфель и... Читать далее >