КаталогПассивные компонентыРезисторы, потенциометрыПроволочные резисторыМощные резисторы в алюминиевом корпусе до 500 WRH025R0220FE05

RH025R0220FE05, Wirewound resistor 0.022 Ohm 25 W +- 1 %, Vishay

Арт: 160-24-549
  • добавить в избранное
  • Арт: 160-24-549
  • Наименование: RH025R0220FE05
  • Производитель: Vishay
  • Доп.наименование: Wirewound resistor 0.022 Ohm 25 W +- 1 %
  • Склад:
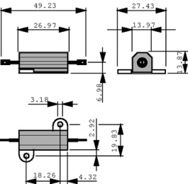
    Изображение товара дано только в качестве иллюстрации. См. спецификацию продукта (pdf)
    Заказать Цены указаны без НДС

    Wirewound resistor 0.022 Ohm 25 W +- 1 % Семейство Резисторы с проволочной обмоткой в алюминиевом корпусе, 25 W
    Водонепроницаемый корпус
    С проушинами для установки в корпус
    Соединение для пайки Технические параметры
    • Manufacturer: Vishay
    • Допуск: ±1 %
    • Импеданс: 0.022 Ω
    • Подключение: Пайка
    • Температура, мин.: -50 °C
    • Температура, макс.: +125 °C
    • Температурный диапазон: -50...+125 °C
    • Диэлектрическая прочность: 1000 В
    • Температурный коэффициент: ±50 ppm/°C
    • Номинальные характеристики выхода: 25 Вт
    • Условное обозначение сопротивления: 0E022
    • Испытательное напряжение относительно кор: 2.5 кВ
    • Тип резистора: Проволочный резистор в алюминиевом корпусе
    BC Сomponents

    Компания BC Сomponents (Beyschlag Centralab), ведущий европейский изготовитель пассивных электронных компонентов, возникла при разделения компании Philips в январе 1999. С 2002 года BC Сomponents входит в состав компании Vishay. Прежний портфель и... Читать далее >