КаталогПассивные компонентыРезисторы, потенциометрыПрецизионные резисторыРезисторы металлопленочные с винт. зажимами до 600 WMHP20-200J

MHP20-200J, Power resistor 20 Ohm 20 W +- 5 %, BI Technologies

Арт: 160-57-439
  • добавить в избранное
  • Арт: 160-57-439
  • Наименование: MHP20-200J
  • Производитель: BI Technologies
  • Доп.наименование: Power resistor 20 Ohm 20 W +- 5 %
  • Склад:
    Изображение товара дано только в качестве иллюстрации. См. спецификацию продукта (pdf)
    Заказать Цены указаны без НДС

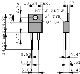
    Power resistor 20 Ohm 20 W +- 5 % Семейство Силовые резисторы в TO 220, 20 W
    Планарные толстопленочные силовые резисторы в корпусе TO220
    Невоспламеняемые
    Без индуктивности Технические параметры
    • Manufacturer: BI Technologies
    • Допуск: ±5 %
    • Импеданс: 20 Ω
    • Температура, мин.: -55 °C
    • Форма конструкции: TO-220
    • Температура, макс.: +155 °C
    • Температурный диапазон: -55...+155 °C
    • Испытательное напряжение: 1500 В
    • Температурный коэффициент: ±50 ppm/°C
    • Номинальные характеристики выхода: 20 Вт
    • Условное обозначение сопротивления: 20R
    • Тепл.сопр-ние относительно баз.платы: 5.9 K/W