КаталогПассивные компонентыРезисторы, потенциометрыПрецизионные резисторыРезисторы металлопленочные с винт. зажимами до 600 WMHP20S0R015F

MHP20S0R015F, Power resistor 0.015 Ohm 20 W +- 1 %, BI Technologies

Арт: 160-62-400
  • добавить в избранное
  • Арт: 160-62-400
  • Наименование: MHP20S0R015F
  • Производитель: BI Technologies
  • Доп.наименование: Power resistor 0.015 Ohm 20 W +- 1 %
  • Склад:
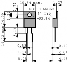
    Изображение товара дано только в качестве иллюстрации. См. спецификацию продукта (pdf)
    Заказать Цены указаны без НДС

    Power resistor 0.015 Ohm 20 W +- 1 % Семейство Силовые резисторы в TO 220, 20 W
    Планарные толстопленочные силовые резисторы в корпусе TO220
    Невоспламеняемые
    Без индуктивности Технические параметры
    • Manufacturer: BI Technologies
    • Допуск: ±1 %
    • Импеданс: 0.015 Ω
    • Температура, мин.: -55 °C
    • Форма конструкции: TO-220
    • Температура, макс.: +155 °C
    • Температурный диапазон: -55...+155 °C
    • Испытательное напряжение: 1500 В
    • Температурный коэффициент: ±250 ppm/°C
    • Номинальные характеристики выхода: 20 Вт
    • Условное обозначение сопротивления: 0E015
    • Тепл.сопр-ние относительно баз.платы: 5.9 K/W