КаталогПассивные компонентыРезисторы, потенциометрыПрецизионные резисторыРезисторы металлопленочные с винт. зажимами до 600 WAP101 240R J 100PPM

AP101 240R J 100PPM, Power resistor 240 Ohm 100 W +- 5 %, Arcol

Арт: 110-47-613
  • добавить в избранное
  • Арт: 110-47-613
  • Наименование: AP101 240R J 100PPM
  • Производитель: Arcol
  • Доп.наименование: Power resistor 240 Ohm 100 W +- 5 %
  • Склад:
    Изображение товара дано только в качестве иллюстрации. См. спецификацию продукта (pdf)
    Заказать Цены указаны без НДС

    Power resistor 240 Ohm 100 W +- 5 % Семейство Мощные резисторы, 100 W, AP101
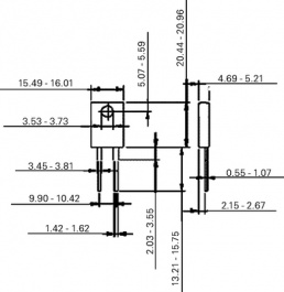
    100 W при температуре корпуса 25 °C, монтируется на радиатор
    Блок питания TO-247
    Крепление к радиатору одним винтом
    Литой корпус для защиты
    Электрически изолированный корпус
    Неиндуктивное исполнение Технические параметры
    • Manufacturer: Arcol
    • Допуск: ±5 %
    • Импеданс: 240 Ω
    • Температура, мин.: -65 °C
    • Форма конструкции: TO-247
    • Температура, макс.: +175 °C
    • Температурный диапазон: -65...+175 °C
    • Испытательное напряжение: 1800 VAC
    • Температурный коэффициент: ±100 ppm/°C
    • Номинальные характеристики выхода: 100 Вт
    • Условное обозначение сопротивления: 240R
    70 лет успеха британской компании по производству резисторов ARCOL 26.09.2022

    Имя ARCOL уже 70 лет является признанным именем на рынке резисторов для европейского рынка. Компания наиболее известна своими резисторами с проволочной обмоткой в алюминиевом корпусе Читать далее >

    Резисторы Arcol 05.02.2018

    Британская  компания Arcol производит широкую номенклатуру высококачественных резисторов различного назначения - от малогабаритных прецизионных до мощных и высоковольтных. Широко известны проволочные резисторы Arcol серии HS в алюминиевых корпус... Читать далее >

    ARCOL - одна из крупнейших компаний по производству высококачественных мощных резисторов

    ARCOL - одна из крупнейших европейских компаний по производству высококачественных мощных резисторов самого широкого применения. Диапазон мощностей резисторов компании ARCOL - от 0,25 Вт до 1 кВт. О том, какие бывают резисторы производства ARCOL вы можете... Читать далее >