КаталогАктивные компонентыДискретные полупроводники, лампыМостовые выпрямителиМостовые выпрямителиKBU12M

KBU12M, Диодный мост; плоские; 1000В; 12А, Diotec Semiconductor

Арт: 170-00-748
  • добавить в избранное
  • Арт: 170-00-748
  • Наименование: KBU12M
  • Производитель: Diotec Semiconductor
  • Доп.наименование: Диодный мост; плоские; 1000В; 12А
  • Склад:
    Изображение товара дано только в качестве иллюстрации. См. спецификацию продукта (pdf)
    Заказать Цены указаны без НДС

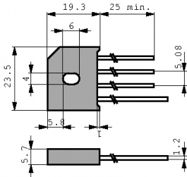
    Диодный мост; плоские; 1000В; 12А Семейство Линейные мостовые выпрямители с монтажным отверстием
    Компактная конструкция для непосредственного крепления выпрямителя на радиатор или корпус
    Пластиковый корпус, материал по UL94V-O Технические параметры
    • Manufacturer: Diotec Semiconductor
    • Шаг: 5.08 мм
    • Тип корпуса: SIL
    • Рабочая температура: -50...+150 °C
    • Пиковый ток проводимости: 300 А
    • Рабочая температура, мин.: -50 °C
    • Рабочая температура, макс.: +150 °C
    • Средний ток проводимости, макс.: 12 А
    • Входное переменное напряжение, макс.: 700 В
    • Пиковое напряжение в закрытом состоянии: 1000 В