КаталогРабочее место, механические компонентыМеханические компонентыДемпферы вибрацииБамперы для оборудованияMT10000010

MT10000010, Bumper NR D12 mm H6.5 mm black, -

Арт: 110-43-248
MT10000010, Bumper NR D12 mm H6.5 mm black, -
  • добавить в избранное
  • Арт: 110-43-248
  • Наименование: MT10000010
  • Производитель: -
  • Доп.наименование: Bumper NR D12 mm H6.5 mm black
  • Склад:
    Изображение товара дано только в качестве иллюстрации. См. спецификацию продукта (pdf)
    Заказать Цены указаны без НДС

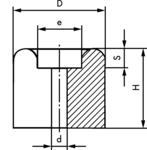
    Bumper NR D12 mm H6.5 mm black Семейство Буфер двери NR
    Буфер двери с потайным отверстием для винта, подходит для дверей и окон, предназначен для ограничения хода и амортизации. Технические параметры
    • Manufacturer: -